摇表,你确定会摇吗?摇表使用方法图解
摇表也称兆欧表,主要用于测量电气设备的绝缘电阻。摇表的额定电压有500、1000、2500V等几种。
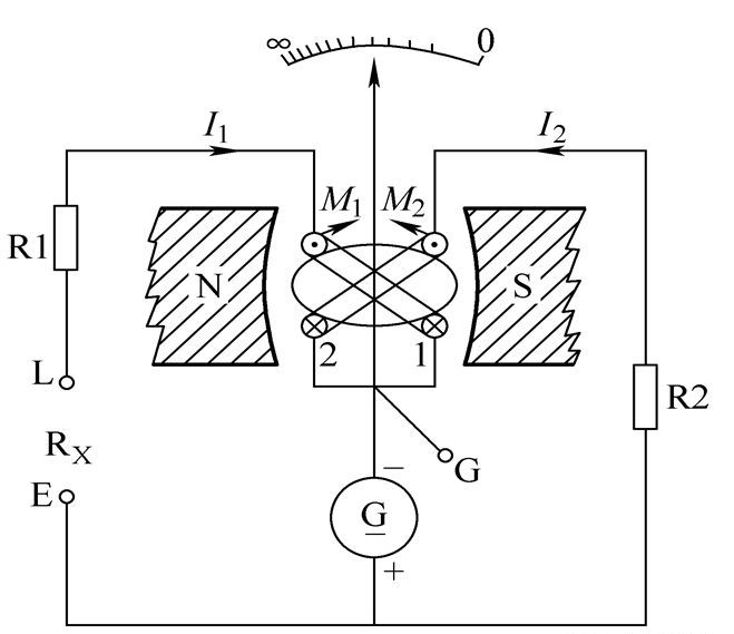
▶摇表的结构
摇表由一个手摇发电机、表头和三个接线柱(即l:线路端、e:接地端、g:屏蔽端)组成。
▶摇表的工作原理
1、被测电阻Rx接在“L”与“E”端钮之间。
2、摇动直流发电机的手柄,发电机两端产生较高的直流电压,线圈1和线圈2同时通电。
当以120转/分速度均匀摇动手柄时,表内的直流发电机输出该表的额定电压,在线圈1与被测电阻间有电流I1,在线圈2与表内附加电阻R2有电流I2,两种电流与磁场作用
产生相反的力矩,当I1电流最大(即被测电阻为0),指针指向刻度0。当I2电流最大(即开路状态),指针指向刻度无穷大∝,当被测电阻为一定值时,指针指在被测电阻的数值,由于摇表没有游丝,不能产生反作用力矩,所以摇表在不测时停留在任意位置(即不定位),而不是回到零,这跟其他指针式的仪表有区别的。
▶摇表的选择
1)摇表的额定电压一定要与被测电气设备或线路的工作电压相适应。一般额定电压在500伏以下的设备,选用500伏或1000伏的摇表;额定电压在500伏及以上的设备,选用1000~2500伏的摇表。
2)摇表的测量范围要与被测绝缘电阻的范围相符合,以免引起大的读数误差。
▶摇表的使用
1)摇表的接线
摇表有三个接线端钮,分别标有L(线路)、E(接地)和G(屏蔽)。
当测量电力设备对地的绝缘电阻时,应将L接到被测设备上,E可靠接地即可。
2)摇表的检查
【开路试验】在摇表未接通被测电阻之前,摇动手柄使发电机达到120r/min的额定转速,观察指针是否指在标度尺“∞”的位置。
【短路试验】将端钮L和E短接,缓慢摇动手柄,观察指针是否指在标度尺的“0”位置。
(1)观测被测设备和线路是否在停电的状态下进行测量。并且摇表与被测设备间的连接导线不能用双股绝缘线或绞线,应用单股线分开单独连接。
(2)将被测设备与摇表正确接线。摇动手柄时应由慢渐快至额定转速120r/min。
(3)正确读取被测绝缘电阻值大小。同时,还应记录测量时的温度、湿度、被测设备的状况等,以便于分析测量结果。
▶常用电气设备的摇测方法详解
(1)测量照明或电力线路对地的绝缘电阻
将摇表接线柱的(E)可靠接地,(L)接到被测线路上。按顺时针方向摇动摇表的发电机手把,转速由慢变快,转速达120/分钟匀速摇动,约一分钟后发电机转速稳定时,表针也稳定下来,这时表针指示的数值就是所测得的绝缘电阻值。测量方法如图所示。
(2)测量电机的绝缘电阻
将摇表接线柱的(E)接机壳。(L)接到电机绕组上,以120转/分的速度摇动摇表手柄。指针稳定后读数。测量方法如图所示。
(3)测量变压器各相线圈绝缘电阻
1)测量各相线圈对地绝缘电阻时,将绕组的导线接摇表(L)接线柱,将设备外壳和铁芯接摇表(E)接线柱,瓷瓶外表接于(G)接线柱。测量方法如图所示。
2)测量绕组的相间绝缘电阻时,用摇表的(L)接线柱和(E)接线柱分别接任意两根导线,分别测量相间绝缘电阻。
(4)测量电缆的绝缘电阻
1)铠装电缆
测量电缆相对地的绝缘电阻时:将被测两端分别接(E)和(L)两接线柱,将(G)接线柱引线接到电缆壳芯之间的绝缘层上。测量方法如图所示。
测量电缆相对相绝缘时:被测其中一相接(L)接线柱,将另外的任意一相接摇表(E)接线柱,转动摇表,即测得相间绝缘电阻值,用同样的方法测另二相间绝缘电阻值。测量方法如图所示。
2)橡套电缆
测量橡套电缆的对地绝缘电阻时,将摇表(L)用连线接在主芯线上,再将接地端钮(E)接在接地芯线上,并用导线连接橡胶护套后,另一端接在摇表的(G)接线柱上,转动手柄,测出相对地绝缘电阻值。测量方法如图所示。
测量相间绝缘电阻时,可分别将两端(L)和(E)分别接任意两相芯线,即可测出相间绝缘电阻值。测量方法如图所示。
▶摇表使用时的注意事项(13个)
1、使用摇表测量高压设备绝缘,应由两人担任。
2、应视被测设备电压等级的不同选用合适的绝缘电阻测试仪。
3、测量用的导线,应使用绝缘导线,其端部应有绝缘套。
4、摇表与被测设备之间应使用单股线分开单独连接,并保持线路表面清洁干燥,避免因线与线之间绝缘不良引起误差。
5、测量绝缘时,必须将被测设备从各方面断开,验明无电压,确实证明设备无人工作后,方可进行。在测量中禁止他人接近设备。
6、在测量绝缘前后,必须将被试设备对地放电。被测设备必须与其他电源断开,以保护设备及人身安全。
7、测量线路绝缘时,应取得对方允许后方可进行。
8、在有感应电压的线路上 (同杆架设的双回线路或单回路与另一线路有平行段)测量绝缘时,必须将另一回线路同时停电,方可进行。
9、在带电设备附近测量绝缘电阻时,测量人员和摇表安放位置,必须选择适当,保持安全距离,以免摇表引线或引线支持物触碰带电部分。移动引线时,必须注意监护,防止工作人员触电。
10、摇测时,将摇表置于水平位置,摇把转动时其端钮间不许短路。摇测电容器、电缆时,必须在摇把转动的情况下才能将接线拆开,否则反充电将会损坏摇表。
11、摇动手柄时,应由慢渐快,均匀加速到120r/min,并注意防止触电。摇动过程中,当出现指针已指零时,就不能再继续摇动,以防表内线圈发热损坏。
12、为了防止被测设备表面泄漏电阻,使用摇表时,应将被测设备的中间层(如电缆壳芯之间的内层绝缘物)接于保护环。
13、禁止在雷电天气或在邻近有带高压导体的设备处使用摇表测量。
▶关于绝缘电阻测量的几个问题
【淮矿重评】答好“三问” 筑牢安全屏障
2025-03-21
“不安全行为”清单合集
2025-03-21
学习语丨以优良作风凝心聚力、干事创业
2025-03-21
习近平:坚持和落实“两个毫不动摇”
2025-03-17
工人从0.6米高处坠亡,再次刷新记录!
2025-03-15
梁言顺在全省传达学习全国两会精神大会上强调 高质量完成“十四五”规划目标任务 为全国发展大局贡献更多安徽力量 王清宪唐良智出席
2025-03-15
全面回顾党领导闽西人民革命奋斗的历史
2025-03-15
学习语丨把中央八项规定作为铁规矩、硬杠杠
2025-03-15
童亭矿安全办公会要求:紧盯重点 抓好落实 以高标准迎接一季度体系检查
2025-03-12
以全面从严治党推动“深改巨轮”行稳致远
2025-03-11