通知!安全帽新标准发布,2020年7月1日正式生效!
2020-02-22
正文
▼
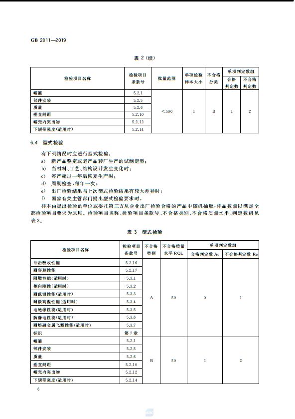
安全帽标准(GB 2811- 2019 头部防护 安全帽)已于2019年12月31日发布了。新标准将于2020年7月1日起正式生效。值得注意的是新版标准废止了 旧版GB 2811 - 2007 ,您正在使用的安全帽是否合规,快对照标准检查一下吧。
免责声明:
本公众号部分转载的文章、图文、视频来自网络,其版权和文责属原作者所有,若您是原作者且不希望文章被转载,请联系我们处理(电话:4963256)
微信公众号:TTMKWXT
责任编辑:李立峰 | 编辑:常新矿
【淮矿重评】答好“三问” 筑牢安全屏障
2025-03-21
“不安全行为”清单合集
2025-03-21
学习语丨以优良作风凝心聚力、干事创业
2025-03-21
习近平:坚持和落实“两个毫不动摇”
2025-03-17
工人从0.6米高处坠亡,再次刷新记录!
2025-03-15
梁言顺在全省传达学习全国两会精神大会上强调 高质量完成“十四五”规划目标任务 为全国发展大局贡献更多安徽力量 王清宪唐良智出席
2025-03-15
全面回顾党领导闽西人民革命奋斗的历史
2025-03-15
学习语丨把中央八项规定作为铁规矩、硬杠杠
2025-03-15
童亭矿安全办公会要求:紧盯重点 抓好落实 以高标准迎接一季度体系检查
2025-03-12
以全面从严治党推动“深改巨轮”行稳致远
2025-03-11