干货!采煤机电气故障最头痛,我们总结了常见的故障和排除方法供大家学习使用。

2019-10-17

正文

1、启动先导回路

1.1  按下“启动”按钮,整机不动作。

分析处理:

(1)检查启动二极管是否击穿或断路 。

(2)检查各电机的温度保护线接点是否闭合。

(3)检查盖板启、停按钮及其连接线。

(4)检查进线电缆是否断线。

(5)检查顺槽开关是否正常。

1.2  启动后,机组不能自保。

分析处理:

(1)检查PLC相应输出指示灯亮否。

(2)检查控制变压器高、低压保险是否熔断。

(3)若通过继电器自保,检查自保继电器吸合是否正常。

(4)检查瓦斯是否超限。

(5)若有端头站,检查端头站是否误发“总停”信号。

(6)检查盖板上总停按钮及其线路是否误动作。

(7)检查变压器、截割电机是否温度超限。


(1)启动时,把手扳在“启动”位置的时间过短。

(2)自保继电器接点接触不良或烧毁。

(3)控制变压器,一,二次熔断器熔断,线路接触不良或断路。

(4)控制变压器烧毁。

(5)电机中的热继电器没有复位。


1.3采煤机不能启动故障的分析及排除

a、巷道磁力启动器电源先导回路断开,或控制线断路导致巷道磁力启动器送不上电; 

b、控制变压器损坏或输出的电源空气开关损坏; 

c、采煤机电控箱继电器板上的整流桥损坏,供主控制器的24VDC电源没有; 

d、操作显示站或按键板损坏,"复位"按钮不能复位; 

e、主控制器的中央处理器(CPU)出现死机现象或不能工作; 

f、电机温度保护回路开路;

g、主控器不工作。

排除方法:

a、按常规的检测法找出故障并修复或更换元件;

b、修复或更换变压器;

c、检查继电器板上的桥式整流器,损坏时更换整流桥;

d、确定后更换按键板或操作显示站;

e、拉开隔离开关重新送电;

f、根据显示屏显示的相关部位,用万用表检查温控回路;

g、检查供主控器电源。 

1.4采煤机不起动

分析原因:

(1)左、右急停按钮是否解锁,控制线有无断线,整流二级管是否连接正确或烧坏。 

(2)磁力启动器是否有电,是否在远控位置,如果无问题,把远控开关打在近近,起动开关,能起动说明故障不在开关,如果不起动,说明开关有故障,应检查开关。 

(3)控制回路是否畅通,包括电缆、按钮、连线等。

(4)隔离刀闸接触是否良好,有无损坏。

采煤机不起动 
1、采煤机不起动原因: 
(1)左右急停按钮是否解锁,控制线有无断线,整流二级管是否连接正确或烧坏。 
(2)磁力启动器是否有电,是否在远控位置,如果无问题,把远控开关打在近近,起动开关,能起动说明故障不在开关,如果不起动,说明开关有故障,应检查开关。 
(3)控制回路是否畅通,包括电缆、按钮、连线等。 
(4)隔离刀闸接触是否良好,有无损坏。(5)检查启动按钮有无损坏。(6)检查电动机电源有无缺相,启动力矩是否足够(7)检查带重负荷情况下启动情况。(8)检查自保回路中带水压接点,未供水启动电动机,采煤机不能启动。
2、电机起动后不自保 
原因: 
(1)起动时,手把打在"起动"位置的时间过短。 
(2)自保继电器KA接点接触不良或烧毁。 
(3)控制变压器,一、二次熔断器熔断,线路接触不良或断路。 
(4)控制变压器坏。 
(5)电动机中的热继电器没有复位。 
3、采机不能牵引的原因: 
(1)功控超载电磁铁接反或损坏,保护插件损坏或插件执行继电器损坏。 
(2)松闸电磁铁在牵引手把过零后不松闸。 
(3)其余属液压方面的原因。 
4、采机运行中用急停按钮停机后,解锁时自起动。 
原因: 
(1)起动手把没有到零位。 
(2)起动按钮接点粘连。 
(3)自保继电器接点粘连。 
5、输送机不起动 
原因: 
(1)采煤机上"运行"按钮没有解锁。 
(2)控制回路短路或开路。 
     (3)磁力起动器故障.


一、启动采煤机部分:

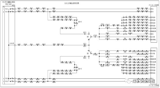
采煤机先导控制回路的组成:远方二极管设在按钮板上,SBQ为主启按钮,SQT为主停(兼闭锁)按钮,瓦斯保护PA7-3-K1(PA6-K1)和PA1-K1串联组成主启自保触点,PA1-K14为PLC保护触点,PA1-K3为端头控制站急停触点,PA2-8-K8(PA2-K8)为遥控急停触点,QS1、QS2为隔离开关辅助触点。

原理:根据与采煤机配套的磁力起动器的设计要求,当磁力起动器处于远控状态时,只需给其接通一条串有二极管的回路即可起动主回路给机组送电。当按下主启按钮时,先导回路被接通,停放在顺槽的磁力起动器内部控制真空接触器线圈的继电器得电动作,控制真空接触器吸合给机组送电。

故障现象:开机时,按“主启”后煤机没有任何反应。错误!未找到引用源。

故障分析:(1)机械部分是没有打到位;(2)电器部分出现故障。

故障处理:(1)看“主停”机械闭锁按钮是否到解锁,多活动几下看是否有手感;

(2)将隔离手把左右活动几下,看是否是隔离手把的附助触点没有合到位,可以临时短接XSBA.8和XSBA.10;

(3)松开“主启”按钮速度太快,磁力启动器还没有反应过来就已经松开;

(4)用二极管正反短接XTA.5和XTA.9看启动是否动作正常;

①如果不能正常启动。用二极管正反短接磁力启动器远控接线端子,能启动,说明主电缆控制芯线断,处理或更换;不能启动,磁力启动器故障或在近控状态。

②如果正常启动。可以分别临时短接XSBA.8和XSBA.10,XTA.7和XTA.8, XTA.8和XTA.9试机,如果正常启动,可以相对应处理或更换控制盒;如果不能正常启动,煤机先导控制回路断线或二极管接反或二极管击穿。

故障现象:开机时,按“主启”后煤机上电启动,但一松开“主启”按钮后机组掉电。

故障分析:按主启机组启动,说明先导主回路正常,一松开就掉电说明是自保回路节点没自保吸合。自保回路中串入的节点为:PA7-3-K1或PA6-K1(瓦斯断电仪)和PA1-K1(端头接收盒自保)。

(1)是否为瓦斯传感器误动作;按住主启(时间长一点),观察GP显示屏下方红色发光二极管是否发光。当红灯不亮时,表示瓦斯断电仪没有保护动作;当红灯亮或闪烁时,表示瓦斯断电仪保护动作工作从而使得PA7-3-K1(PA6-K1)节点断开。PA7-3-K1(PA6-K1)节点在电控腔内的引入XTA接线排为:XTA12和XTA6;

(2)是否为自保节点PA1-K1没有吸合。

看电源是否正常,按住主启不松开,用端头控制站或遥控器调高看是否调高动作。如果调高不正常则为F+24v电源的保险管熔断或整流桥损坏;如果电源F+24v正常则为PA1盒内自保继电器损坏。

故障现象:截割电机打枪。错误!未找到引用源。

故障分析:(1)检查1140V熔断器是否有松动现象;

(2)检查主电缆控制芯线是否有虚接、虚通情况;

(3)检查磁力启动器是否工作正常,将磁力启动器置于近控试机;

(4)检查端头站接收盒和遥控器接收盒的急停节点。可分别临时短接端头站接收盒的急停节点XTA7和XTA8与遥控器接收盒的急停节点XTA8和XTA9试机观察是否为其打枪动作。

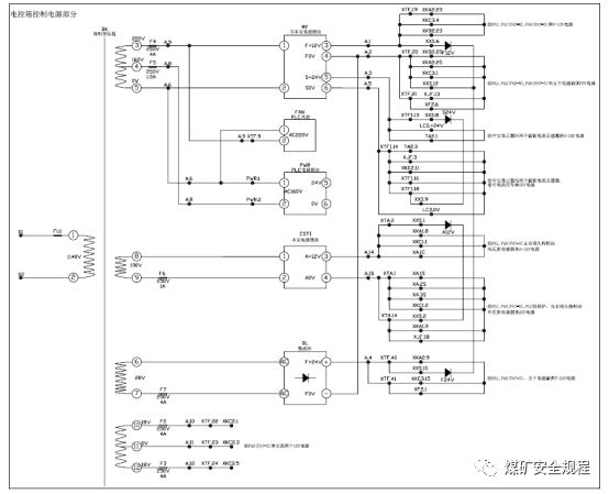
采煤机电控箱控制电源部分:


故障现象:煤机上电正常后,中文显示屏(GP)黑屏没有任何显示,而截割电机有电转动。错误!未找到引用源。

故障分析:检查显示屏电源S+24V(A3、A5),如果电源接入显示屏正常,则需更换显示屏;否则,检查控制电源回路,检查非本安电源模块是否有S+24V输出,检查控制变压器及其保险管。

故障现象:煤机上电正常后,屏幕显示界面停留在天地科技的欢迎屏,进不到监控屏。

故障分析:观察显示画面的左下角,是否有“PLC NOT RESPONDING。。。”(PLC没有响应)字符显示;

(1)如果没有任务字符显示,按正常操作给牵引,试机。

如牵引正常则更换显示屏;否则,检查PLC组件,观察PLC各个模块的指示灯状态,判断哪个模块损坏。

判断PLC模块是否损坏的方法:

从最小系统开始,在底板上只插上PLC电源模块和CPU模块看指示灯状态是否正常,如正常再插另一个模块观察状态,直至故障出现为止即可判断是哪个模块故障。

(2)如果有上所述字符显示,按正常操作给牵引,试机。

如牵引正常,检查PLC与显示屏通讯电缆线,如果通讯电缆线检查正常则为PLC电源模块通讯口,中文显示屏(GP)通讯口,PLC的CPU模块或PLC的底板损坏故障;

如无法牵引,检查PLC组件,观察PLC各个模块的指示灯状态,判断哪个模块损坏。(判断方法同上)

故障现象:在机组送电后,机组上GP显示屏仍显示“牵引未送电,请查明原因”

采煤机牵电控制回路


故障分析:(1)检查变频调速箱内的真空接触器辅助接点到PLC引线回路, PLC开关量输入模块有没有相应指示灯变化。

(2)检查变频调速箱内的真空接触器是否吸合。

注意:分析变频器的先导回路。

故障现象:截割电机温度显示闪烁的“850”或“-100”。错误!未找到引用源。

故障分析:截割电机的温度传感器接线断了或短接。

注意:当温度显示达300℃或更高时,而摸摸电机没有温度,则一定为温度传感器接线虚了,导致接入阻抗变大,PLC误认为是温度升高而保护停机。


1.5采机运行中用急停按钮停机后,解锁时自起动。 
     分析原因:(1)起动手把没有到零位或损坏,保护插件损坏或插件执行继电器损坏。(2)起动按钮接点粘连。(3)自保继电器接点粘连。


2、摇臂升降系统

2.1.开机后摇臂自动上升或下降。

分析处理:(1)检查PLC输入部分是否有接点粘连等现象造成误动作。(2)检查PLC输出继电器是否正常工作。(3)检查电磁阀及其线路。检查电磁阀阀芯是否堵卡,以致不能回到中位。(4)检查制动阀阀芯是否堵卡,以致不能回到中位。

2.2.摇臂上升或下降不动作。

分析处理:(1)检查按钮、遥控器等PLC输入和输出信号是否正常,可以通过PLC输入指示灯来判断。液晶显示器或功能显示器的绿灯不亮,则说明无信号输入,故障点可能是端头站。液晶显示器或功能显示器绿灯亮而红灯不亮,故障点可能是控制中心。液晶显示器或功能显示器红灯亮,则故障点可能是电磁阀、手液动换向阀或者是液压系统。(2)检查电磁阀工作电源是否正常。检查液压系统压力,管路等是否正常。(3)检查电磁阀线圈是否短路、开路,可用正常的一路来“替换”查找。

2.3.采煤机不能升降故障分析及排除

故障现象:a、操作显示站有一个通讯不良或操作按键板损坏;b、主控器故障;  c、电磁阀或泄荷阀不能正常工作;d、油箱油位过低或过滤器堵塞;  e、调高安全阀压力整定值低或损坏;f、调高液压泵损坏;g、液压系统进入过多的空气或注入的油液不合格。 

排除方法:a、接好相关线路或更换按键盘;b、更换主控器或辅助板;c、观察电磁阀上的显示灯,电源送电时灯亮,不亮时检查供电线路,否则,查电磁阀的吸合力和阀芯,修复或更换阀;d、要求添加合格的液压油或清洗滤油器;e、重新进行调整或更换;e、更换液压油泵;f、对液压系统进行排气或更换油液。

3、端头站、遥控器

3.1端头站、遥控器不动作

分析处理:A、检查端头站12V电源是否正常,遥控器电池电压是否正常。B、检查端头站电缆的连接头是否紧凑、牢固、可靠。C、检查相对应的继电器回路是否工作正常。D、检查相对应的线路是否断线。

3.2端头站、遥控器误动作

分析处理:A、更换遥控器后,测试端头站是否工作正常。B、如更换后还不正常,去掉端头站,看线路是否有粘连现象。C、更换备件。

4、瓦斯断电仪、传感器

4.1.探头显示值不准确

分析处理:可按用户说明书调校。

4.2.开机不自保,再开机显示瓦斯超限

分析处理:A、瓦斯超限。B、瓦斯传感器开路或短路。C、如果断电仪误动作,建议更换传感器探头。

5、电机

5.1温度接点断开,机器无法启动。

分析处理:为不影响正常生产,将其临时短接。

5.2              电机PT100损坏

分析处理:为不影响正常生产,可以先用110Ω~120Ω、1/8W电阻来代替恢复生产。

注意:(1)、条件允许时,每周对电机进行一次绝缘测试3300V的用2500V的摇表测试,1140V的用1000V摇表测试,380V的用500V摇表测试。(2)、对于牵引电机摇绝缘时,必须与变频器断开,这点切记,否则会损坏变频器。(3)、用万用表检查是否缺相。

5.3  电机不启动故障

原因:(1)机组供电线路0L线断或连地;接地二极管坏;三级开关出现问题;一启钮坏。(2)二启钮坏(PLC二启没输入):PLC损坏;PLC二启没输出;二启控制线路断;二启控制电源空气开关断开;二启真空接触器损坏。

处理:(1)按先导钮,如果先导指示灯亮,说明机组供电线路OL线和接地二极管没有损坏,检查一启钮;如果先导指示灯不亮,检查机组供电线路OLd,接地二极管;三级开关。(2)查看PLC输入灯XIO是否亮,如果不亮,说明PLC二启没输入,检查二启钮和输入端线路;如果PLc有输入,没有输出(Y13灯不亮),说明PLC损坏;如PLC有输出(Y13灯亮),检查控制线路和真空接触器。首先,检查二启控制电源空气开关是否断开,如断开,合上开关。其次,如二启控制电源空气开关没问题,在高压控制箱直接将220v控制电源供给真空接触器,接触器能正常工作,控制线路有问题,检查二启控制线;如真空接触器不能正常工作,更换二启真空接触器。

5.4电机起动后不自保

原因分析:(1)起动时,手把打在"起动"位置的时间过短。(2)自保继电器KA接点接触不良或烧毁。(3)控制变压器,一、二次熔断器熔断,线路接触不良或断路。(4)控制变压器坏。(5)电动机中的热继电器没有复位。

5.5电机不转的故障

分析:A、电机上的接线是否完好;B、电机和变频器之间的接线是否开路;C、控制电缆的插接头是否插紧。

5.6牵引电机发热故障

MG300/700采煤机在生产过程中发现牵引电机温度异常,经检查,该牵引电机声音正常,电流、电压也也正常,拔开电机冷却水出水口,发现冷却水流量小,而采煤机供水流量、压力正常且无泄漏,判断是冷却水管路部分堵塞,将进出水管反向连接进行反冲,效果不太明显。究其原因是由于水中可能有杂物或电机冷却水

管路有垢、铁锈,而使冷却水管路畅通,喷雾水压力小不足以冲走杂物。为此采取将支架上的乳化液管引至出水口进行反冲,利用压力高的乳化液并适当调节流量冲走杂物,堵塞的冷却水管路很快畅通。

5.7.电机轴承加油问题

加油过多,电机高速旋转时,会将油脂挤入传感器腔,造成传感器板损坏,一般会出现”PSPB”传感器故障。

6、变频器故障

6.1  MOTOR STALL(7121),电机堵转。

分析处理:A、煤壁夹矸比较多,或者平滑靴损坏或卡阻,采煤机负载比较大,牵引速度快,故障复位后,采煤机能够正常运行;B、制动闸未打开: 检查液压油压;根据油压判断是电的问题还是油路问题。根据左右摇臂升降正常与否,判断24V电源好坏。观察给牵引时PLC的抱闸输出回路指示灯是否亮;亮,则检查电磁阀控制回路。

如电磁阀有问题更换电磁阀。C、扭矩轴损坏:在采煤机运行的过程中,操作人员会发现一个变频器的电流显示比较大,另一个电流显示接近空转电流,一般空转电流为额定电流的20%左右,则需要检查机械传动部分,在牵引箱和行走箱连接为一个保护轴(也叫扭矩轴),检查该轴是否损坏,如果没有损坏,检查电机齿轮轴。D、整流单元问题(两个牵引电机报警堵转)。

6.2  通讯故障

故障现象:A、当两个控制盘均显示如下:

ACS800-01-0070-3           

***FAULT***

COMM  MODULE(7510)           

分析处理:则可以判断是主变频器没有接到调用主用户命令,两台变频器均变为从用户宏,都在等待主变频器给它发送指令。检查PLC到主变频器X22端子的连线。特别是图纸中注明”调宏”的那根线。

故障现象:B、只有一个控制盘显示如下

ACS800-01-0070-3           

***FAULT***

COMM  MODULE(7510)           

分析处理:则需要检查主从通讯光纤和通讯模块RDCO-03或02,由于采煤机割煤过程中振动比较大,有可能通讯模块RDCO-03或02振动松,如果还不能解决问题,请采取更换的方法判断通讯模块是否损坏。

6.3  机器只能向一个方向牵引,无法换向

分析处理:(1)检查PLC到主变频器X22端子的连线。特别是图纸中注明“方向”的那根线。(2)检查主变频器参数10.03应为REQUEST。

6.4一开牵引机器就自动加速

故障现象:A、一个方向自动加速

分析处理:(1)检查PLC的输入,左右牵引输入指示灯是否常亮,若有一个常亮则检查相应回路;(2)检查PLC到主变频器X22端子的连线。

故障现象:B、左、右牵引均自动加速

分析处理:(1)观察PLC输入左牵、右牵指示灯是否常亮,若常亮,则检查是否按钮卡死或左右端头站故障引起。(2)可分步检查,先检查是否按钮卡死,然后去掉左右端头站,根据具体情况检查相应回路。(3)检查PLC到主变频器X22端子的连线;

故障现象:C、牵引自动加速,时停时走。

分析处理:检查行走牵引电机控制回路接线盒的接头处,将该处冷凝水擦干。该冷凝水是导致接线短路的主要因素。

6.5  变频器其它常见故障参照“变频器报警和故障一览表”。

变频器报警和故障一览表

警号:ACS 800  TEMP(4210)

原因:传动的IGBT温度过高。故障跳闸极限为100%。

处理:检查环境条件,检查冷却水是否正常。

警号:COMM  MODULE(7510)

原因:传动单元和主机之间的周期性通讯丢失。

处理:检查电缆连接。观察适配器指示灯显示。检查主机是否可以通讯。

警号:CTRL  B  TEMP(4110)

原因:控制板温度高于88℃。

处理:检查环境条件

联系煤矿机械有限公司解决

警号:DC  OVERVOLT(3210)

原因:中间电路直流电压过高,直流电压728;877

处理:检查主机的静态或瞬态过压。检查电机和电缆的绝缘情况

警号:DC   UNDEVOLT(3220)

原因:中间电路直流电压过低,直流电压307;425

处理:检查主电源和熔断器

警号:EARTH  FAULT(2330)

原因:传动单元检测到负载不平衡

处理:检查电机或电机电缆有无接地故障测量电机或电机电缆的绝缘电阻

警号:LINE  CONV(FF51)

原因:进线侧整流单元出现故障,该故障仅在四象限变频器出现

处理:将控制盘从电机输入侧切换到进线侧整流单元,观察故障显示。

联系煤矿机械有限公司

警号:MOTOR  PHASE(FF56)

原因:电极缺相

处理:检查电机和电机电缆

警号:MOTOR  STALL(7121)

原因:电机堵转。可能由于过载或电机功率不足。

处理:检查电机的负载和传动单元的额定值。参见前面举的例子

警号:NO  MOT  DATA(FF52)

原因:未设定电机数据或电机数据与变频器数据不匹配

处理:断电,等待放电完毕再次上电

联系煤矿机械有限公司

警号:PANEL  LOSS(5300)

原因:控制盘与ACS800之间的通讯中断

处理:检查控制盘的连接,检查控制盘连接器

警号:PPCC  LINK(5210)

原因:连接至INT板的光纤出现故障

处理:检查光纤

联系煤矿机械有限公司

警号:SHORT  CIRC(2340)

原因:电机电缆或电机短路,逆变单元的输出桥故障

处理:检查电机和电机电缆

警号:START INTERL(FF8D)

原因:没有收到启动互锁信号

处理:检测连接到RMIO板上的启动互锁电路。即X22端子的8和11。

警号:SUPPLY  PHASE(3130)

原因:中间电路直流电压震荡

处理:检查主电源熔断器,检查主电源是否平衡

警号:USER  MACRO(FFA1)

原因:没有User Macro(用户宏)存储或文件有错

处理:断电,等待放电完毕再次上电

联系煤矿机械有限公司

6.6四象限变频器出现FF51故障

参见下面“四象限变频器的补充操作说明”,具体故障参见下表“进线侧整流部分的报警和故障一览表”。由于四象限变频器有两个ID号,电机侧ID号为1,进线侧ID号为2。当我们需要观察ID1电机侧的电机运行实时数据、故障信息等,按如下方法选择ID1;当我们需要观察ID2进线侧的整流部分实时数据、故障信息等,按如下方法选择ID2。具体用控制盘切换

方法如下:

6.7、电流故障200% CURRENT

原因:A、加速时间太短;B、电机接线相间短路、接地;C、负载太大;D、功率模块损坏。

6.8、电压故障LOW LINK VOLT低DC线电压A、检查整流模块;B、FU4,R1,R2.

线电压低故障LOW LINE VOLT:如果线电压值低于正常电压的85%则能导致该故障发生。FU2烧断

HI LINE VOLT 线电压高故障的原因可能是:A、减速太快;B、输入电压高出正常电压的10%;C、编程时输入不正确的参数。

6.9、温度过高故障

DRIVE OVERTMP变频器温升过高的原因可能是:A、散热不良;B负载较太;C、变频器和电机接线虚;D、温度开关不合格。

MOTOP OVERTMP显示电机过热的原因有:A、热敏插头胶开或温保回路断路;B、负载太大;C、电机负载参数设置不正确。4000过热

DB OVER TEMP显示制动温升过高的原因可能是:A、电源电压太大;B、太频繁的速度转换;C、负载太大。

6.10、充电故障

可进行以下几方面的检查:A、检查保险的通断;B、检查整流桥:;C、测量充电电阻的好坏,如果烧毁,则更换主控板。CONTACTOR OPEN触点断开/CHARGING FLT充电故障。

6.11、通信故障COMM0—5

分析:A、主控板与控制台之间的连接线插头是否插紧;B、通讯接线是否与电源线离的太近;C、如果使用远端操作,屏蔽层是否接地;D、如果以上情况都不存在,则更换控制器或主板。

6.12、充电灯不亮

分析:A、检查输入线的连接是否良好;B、当变频器处于停机状态时,直流电压读数是否为20V;C、变频器控制器是否完好。

6.13、主板故障 DATA FAULT数据故障,更换变频主控


四象限变频器进线侧整流部分的报警和故障一览表

警号:ACS 800 TEMP(4210)

原因:传动的IGBT温度过高。如果温度超过135度,报警。

处理:检查环境条件。检查冷却水是否正常。

警号:CHARGING  FLT

原因:充电后,直流母线欠压,PPCC LINK(DC电压测量为零)

处理:检查充电回路;检查直流回路是否有短路;检查PPCC LINK连接。

警号:COMM  MODULE(7510)

原因:传动单元和主机之间的周期性通讯丢失。

处理:检查电缆连接或更换,更换通讯模块RDCO-03或02。

警号:CTRL B  TEMP(4110)

原因:控制板温度高于88℃。

处理:检查环境条件,联系煤矿机械有限公司

警号:DC  OVERVOLT(3210)

原因:中间电路直流电压过高,直流电压728;877

处理:检查主机的静态或瞬态过压。检查电机和电缆的绝缘情况

警号:DC  UNDEVOLT(3220)

原因:中间电路直流电压过低,直流电压307;425

处理:检查主电源和熔断器

警号:EARTH FLT(2330)

原因:LCL滤波器、整流器、直流母线、逆变器、电机、电机电缆出现接地故障。             

处理:检查LCL滤波器、整流器、直流母线、逆变器、电机、电机电缆是否接地或对地阻值低。

警号:MAIN CNT FLT

原因:主接触器工作不正常,或连接松动。

处理:检查主接触器控制电路连接,检查数字信号DI3的连接,联系煤矿机械有限公司

警号:PPCC  LINK(5210)

原因:连接至INT板的光纤出现故障

处理:检查光纤,检查IGBT是否短路,联系煤矿机械有限公司

警号:SHORT  CIRC(2340)

原因:短路故障

处理:测量IGBT的电阻,检查主电路,联系煤矿机械有限公司

警号:SUPPLY  PHASE

原因:中间电路直流电压震荡

处理:检查主电源熔断器,检查主电源是否平衡

6.13.变频器不能得电

采煤机在运行中变频器没电,主要故障原因:牵电接触器线圈损坏。快速熔断器坏。处理:更换接触器,更换快速熔断器。

6.14.  


6.15..变频调速采煤机电控系统常见故障采煤机不能启动

故障原因:(1)采煤机负荷线、控制芯线断裂;(2)顺槽开关磁力启动器故障;(3)隔离开关未合闸;(4)终端二极管损坏;(5)采煤机内部控制线断开。

处理方法:(1)更换电缆或修复控制芯线;(2)更换或修复磁力启动器开关;(3)将隔离开关合闸;(4)

更换终端二极管;(5)检查内部控制线的接线。

6.16.变频调速采煤机电控系统常见故障启动回路不自保

故障原因:(1)控制变压器的1140熔断器熔断;(2)PLC故障不自保;(3)没有控制电压。

处理方法:(1)检查更换熔断器;(2)检查PLC自保回路;(3)检查控制电源断路器。

6.17.变频调速采煤机电控系统常见故障端头站控制失灵

故障原因:(1)按扭接触不良;(2)端头站控制信号发不出去。

处理方法:(1)检查修复按钮;(2)检查端头站插座接触是否良好;(3)检查本安电源12V是否正常;(4)更换端头站。

6.18.变频调速采煤机电控系统常见故障摇臂升降不动作

故障原因:(1)端头站按钮不灵;(2)电磁线卡阻不动作;(3)供流回路不畅。

处理方法:(1)检查端头站按钮动作是否可靠;(2)更换电磁线;(3)检查供流回路。

6.19.变频调速采煤机电控系统常见故障变频器送不上电

故障原因:(1)变压器输出电压异常;(2)快速熔断器熔断;(3)变频器本身故障;(4)变压器输出电源断路。

处理方法:(1)检查变压器输出电压;(2)检查更换快速熔断器;(3)更换变频器;(4)检查变频器输入电压。

6.20.变频调速采煤机电控系统常见故障牵引不能换向

故障原因:(1)系统内部控制电缆损坏;(2)控制中心PLC无输出;(3)变频器故障。

处理方法:(1)检查控制系统电缆有无断路,更换或接好;(2)检查PLC有无输出指示,更换PLC;(3)更换变频器。

6.21.变频调速采煤机电控系统常见故障变频器过温故障

故障原因:变频器长时间工作,冷却水量不足。

处理方法:检查冷却水通道,保证水路畅通。

6.22.变频调速采煤机电控系统常见故障变频器电机或电缆短路故障

故障原因:(1)牵引电机短路;(2)牵引电机负荷线短路;(3)变频器逆变器损坏。

处理方法:(1)检查牵引电机是否短路,更换电机;(2)检查电机负荷线是否短路,更换负荷线;(3)更换变频器。

6.23.变频调速采煤机电控系统常见故障变频器输入电源缺相

故障原因:(1)主电路缺相;(2)快速熔断器熔断;(3)变频器整流桥损坏。

处理方法:(1)检查供电电源是否缺相;(2)检查快速熔断器是否断路,更换快速熔断器;(3)更换变频器。

6.24.变频调速采煤机电控系统常见故障变频器输出连地

故障原因:(1)电网电压不平衡;(2)电机或电缆绝缘数值低或连地;(3)变频器IGBT损坏。

处理方法:(1)检查测量电网三相电压是否平衡;(2)检查电机或电缆的对地阻值,更换电机或电缆;(3)更换变频器。

6.25.电牵引采煤机变频器故障分析与处理

0  引言

MGTY400/ 930 - 3. 3D 型电牵引采煤机由高压箱和牵引控制箱组成。牵引控制箱承担采煤机的行走任务,变频器位于牵引控制箱的右前侧主要用于控制采煤机的左右行走速度。电牵引采煤机应用变频器替代了过去的液压牵引方式,实现了操作简单,维修方便,牵引力强,动作灵敏可靠,工作效率高和保护装置齐全等优点,提高了采煤机运行的可靠性,经济合理,满足了综放工作面高产高效的要求,牵引控制系统如图1。

图1  系统结构框图

Fig. 1  System structure chart

1  变频器控制原理

(1) 工作原理

变频器的主要作用:变频控制系统是由1 个整流回馈单元、2 个逆变单元及控制回路等组成,将牵引变压器输出的AC 400V 变成电压、频率可调的交流电能供给左、右牵引电机。

(2) 功率平衡板

电牵引采煤机在工作面输送机齿轨上行走时,由于左右牵引电机随工作面地形和地势环境因素的影响常造成采煤机受力不均,使左右牵引电机负载电流不平衡。导致变频器输出电流不平衡,为保证牵引电机负载相对平衡,故采用平衡板进行调整。当增加平衡板后,由I1 、I2 输入信号,通过比较器送入单片机(以左牵引电机给定速度v1 为基准) 。当I1 电流增大时,比较器将信息反馈到单片机,控制变频器调整右电机的电流,使右电机及时增速。反之,当左电机电流减小时,控制变频器调整右电机减速,实现左右牵引电流平衡和负载平衡。当增速或减速时,信号送入单片机,经单片机内的时间积分器运算后,进行数/ 模转换,送入左右变频器控制变频器的速度,左右变频器送来的故障信号送入单片机,单片机执行停止信号,并把故障信号经8P5、8P16 线送入监控中心,监控中心执行牵停,通过显示装置显示出来。

2  3 种典型事故

2. 1  单向牵引

单向牵引即采煤机只能进行单向行走。

(1) 故障现象

采煤机向右正常行走,但向左行走时可以牵引,但频率马上为零,功能显示正常,变频显示正常。

(2) 故障分析

变频器与功率平衡板是通过PB08 插座联接,其中8P1 为左行,8P2 为右行,8P3 为增速,8P4 为减速,8P16 为故障输出,8P5 为公共线。当采煤机向右正常行走时,说明变频器本身工作正常。当向左行走时,出现不牵引现象,则左行走控制信号不正常,主要原因是采煤机左行走时,由于机械振动原因造成8P1 掉线头或线头虚接,使左行走控制信号中断,导致采煤机向左行走不牵引。

(3) 现场处理

①检查8P1 线联接是否正常,如出现虚接或掉线头,重新压线。

②若端头站或按钮板上左行或右行按钮卡住,会出现采煤机单向牵引并增速,反复地按压,使其复位即可解决问题。

③控制中心故障,单方向执行输出点闭合不好,可查看功能显示器显示内容进行判定。操作信号绿灯亮,执行信号红灯不亮,说明控制中心得到牵引信号而没有执行。停电复位,若故障仍旧,更换控制中心。

(4) 维护经验

①加强对PB08 插座的维护和保护,控制线在压接时用力要适度,不可过紧或过松,并且固定牢固。线头压得过紧,易出现断丝,煤机振动时易造成线头虚接。

②经常清理按钮表面的粉尘,并做好防锈处理,防止出现按钮卡住现象。

2. 2  病态牵引

病态牵引是指采煤机运行时能够牵引,但是在行走过程中,经常会出现突然停机现象,停机后有时有故障显示,有时没有故障显示,复位后仍能开机运行。

(1) 故障现象

煤机在工作面中间段运行时,牵引正常,但在工作面截割两端头时,采煤机左右外牵引出现病态牵引。

(2) 故障分析

①功率平衡板坏,造成输出不平衡。

②两逆变参数设置不一致,也会造成输出不平衡。从故障现象上看,采煤机能够正常运行,说明了功率平衡板和变频器均设置正常。该变频器长时间运行,采煤机在工作面机头或机尾两端头工作时,经常会过断层或破底量较大,采煤机会出现严重振动,引起变频器某些控制线插接不牢或虚接,造成采煤机不牵引。

(3) 现场处理

将变频器上逆变控制线到IGBT 的触发信号线重新插接一下,调整左右逆变参数,使其保持一致。

(4) 故障案例

如鲍店煤矿10301 工作面调试生产采煤机空载运行时,起动运行频率为3 Hz ,当正常采煤后,频率升至18 Hz 时,突然降到0. 33 Hz ,采煤机停止牵引,不显示任何故障,再给定频率,采煤机可继续行走;采煤机滚筒截割进刀越深,牵停越频繁,采煤机带载能力很差,给人一种“无力”的印象。采煤机空载能够实现牵引,表明变频器整流单元、逆变单元、操作控制回路均工作正常,造成问题的原因是变频器上的电源模块,该模块是专为功率平衡板提供±15 V 工作电源,其性能好坏直接影响功率平衡板的性能和变频器的正常工作。在采煤过程中,采煤机负荷因受地质条件因素的影响变化很大,会造成电压波动,电源模块受到电压波动后其保护电路起作用,造成直流电源±15 V无输出。功率平衡板无电源不能输出控制信号,故导致采煤机停止牵引。

该电源模块为易损件,现场应准备备用,当出现类似事故时及时更换,确保采煤机工作。

(5) 维护经验

遇到此类问题,不要急于动手,首先询问司机采煤机工作运行情况和故障现象,观察功能显示和参数显示,仔细听听采煤机运行声音,分清是机械故障还是电气故障,确定故障范围,由面到点层层分析,然后再进行事故处理。

2. 3  不牵引

引起采煤机不牵引的原因主要分为:软故障和硬故障。软故障是指采煤机出现不牵引后,从显示窗口上查不出故障信息,故障点信息比较模糊判别不清,难以对事故进行处理。硬故障是指采煤机出现不牵引后,信息显示直观,能够直接从显示窗口上获得故障信息。

(1) 不牵引- 软故障

①故障现象 采煤机在截煤时突然停止牵引,截割滚筒和油泵电机工作正常,但牵引指令失灵,牵引电机无法再启动,没有故障显示信息。

②故障分析 变频器工作由功率平衡板控制,功率平衡板受监控中心控制,监控中心的控制信号通过PB08 控制线输入到功率平衡板,再由平衡板输出同步信号来控制左右逆变器,使左右牵引达到同步运行。当出现PB08 插座断线或功率平衡板损坏

等故障后,造成无控制信号输出,逆变器停止工作,采煤机牵停。

③现场处理 更换功率平衡板。该板是易损件,现场应准备备用,当出现类似事故时及时更换,确保采煤机工作。

(2) 不牵引- 硬故障

①故障现象 变频器显示代码F9 ,即欠电压故障,采煤机不能牵引。

②故障分析 牵引变压器输出电压为400 V ,采煤机的欠压极限设定值为0. 65Umin , Umin是牵引变压器输出的最小值,取为380 V。当牵引变压器输出电压低于0. 65 ×380 = 247 V 时,变频装置通过直流母线判断为欠压,给出故障信息F9 ,即欠电压。

③现场处理 首先,测量排查接触器的快速熔断器(250 A/ 500 V) 是否完好。其次,检查整流回馈单元的控制板。其通电状态下,绿灯亮,故障时红灯亮。以下3 种欠电压故障现象一样,故障点不同:因变压器输出点虚接拉弧引起的;一个快速熔断器损坏,引起变频器输入电压不平衡;输入电压正常,但通电整流控制板红色故障灯亮,更换控制板后恢复正常。

(3) 维护经验

日常应加强对变频器AC400 V 电源输入联接线的维护,采取隔离和包扎措施,使变频器电源输入线不与器壁和其它元件接触,能够有效地防止事故发生。如因检修不到位,出现AC400 V 输入联线接地,会产生很高的峰值电压,使IGBT 爆裂,造成变频器损坏。

3  变频器使用、维护与检修

(1) 认真观查变频器的显示信息。

(2) 使用万用表(阻抗至少为1 MΩ) 测量每个输入端子之间的电压,以保证变频装置放电完毕。

(3) 变频装置的输出是由高压高频窄脉冲组成,其峰值为电源电压的1. 35~1. 4 倍,要求使用特制专用电缆。

(4) 做绝缘试验时,请按下述操作进行:

①绝缘测试时,必须把变频器电源线拆掉,否则将造成设备损坏。

②检查电机电缆是否从变频器上拆开。测量电机绝缘时,必须把变频装置上连接的电机电缆,从端子上拆下来。否则,会造成变频装置的IGBT输出模块损坏。

(5) 变频装置在运行的过程中,不允许在1 min内连续3 次切断电源。以避免变频装置内的充电电阻因过流烧坏。

(6) 检修时必须确认变频器不带电,变频装置断电后,必须等5 min 以上,以防直流中间回路的电容,残存的能量造成伤害。

4  结语

MGTY400/ 930 - 3. 3D 电牵引采煤机变频器是采煤机的关健部件,技术含量高,维护复杂,在处理事故中,应注意观察各种显示,掌握并了解故障范围,遇到问题需保持清醒的头脑,理清思路,切勿随意大拆大卸,扩大事故范围,从现象中找疑点,由疑点中分析、判断故障,加强维护和保养,积累丰富现场经验,确保采煤生产的正常进行。


7、电源晶体管故障

分析处理:首先断开负载电机接线,用数字万用表检查。晶体管IGBT外形见图3,IGBT原理见图2。用万用表二极管档测量集电极c与发射极E之间的参数,静态检测时:正笔接发射极E,负笔极接集电极c时,好的晶体管显示值应在0.25-0.8 v直流之间;若正笔接集电极c、负笔接发射极E时,好的晶体管应显示读数为1(溢出),也就是说c与E截止或一个不断上升的数字。动态检测时:负极接B,正极接E时,c与E读数应在0.35-0.8。IGBT模块在工作时不允许基极B开路,否则将损坏IGBT模块。

8、遥控器故障

故障现象:遥控器没电;遥控器损坏。

分析处理:检查电源指示灯,不亮遥控器没电;指示灯亮遥控器有问题,检查控制钮或上井检修。

9、采机不能牵引

原因:a、操作显示站没有复位或主控器有故障;b、延时继电器脱落或空气开关掉闸;c、供真空接触器线圈的36VAC电源没有接通;d、牵引变压器的输出电源过高或过低。e、变频控制器数据故障,按编程器提示的故障来处理;f、供变频控制器的20VDC和115VAC电源没有;g、逆变器有故障,K1不吸合。h、功控超载电磁铁接反。i、松闸电磁铁在牵引手把过零后不松闸。j、其余属液压方面的原因。

排除方法:a、重新送电并复位,通过几次试验不复位时更换主控器;b、按好继电器或合上空气开关;c、检查控制电源,使其在允许范围内;d、调整电压或更换损坏件;e、变频器参数错误,更正数据;f、更换辅助电源箱熔断器FU5和FU6熔断器;g、根据编程器的故障内容检查逆变回路。h、功控超载电磁铁接正。i、修调松闸电磁铁在牵引手把过零后不松闸问题。j、检查液压方面的原因。

电牵引采机不能牵引

(1) 液晶显示器或功能显示器的绿灯不亮,则说明无牵引信号输入,故障部位可能是端头站或者按钮板。(2)液晶显示器或功能显示器的绿灯亮而红灯不亮,则说明有输入信号但无输出信号,故障点可能是控制中心。(3)液晶显示器成功能显示器红灯亮,则说明控制回路无故障,故障点可能是变频器。(4)若变频器液晶显示正常,则可能由于机械故障或者牵引阻力过大。

9.1.牵启控制:

故障现象:按牵启指令,中文显示器始终显示请按牵启:

故障分析:1.牵启信号没有给到PLC开关量输入模块;

①  检查牵启按钮是否正常;

②  检查PLC开关量输入模块是否正常;

③  检查牵启控制线是否正常。

2.牵停信号始终给到PLC开关量输入模块;

①  检查牵停按钮是否正常;

②  检查PLC开关量输入模块是否正常;

③  检查端头控制站和端头控制盒(PA1)是否正常;

④  检查遥控器和遥控接收盒(PA2或PA2-8)是否正常;

⑤  检查牵停各部分控制线是否正常。

⑥  检查各部分控制电源是否正常

3.PLC进入保护,切断速度和方向指令。

如果牵引系统过载,PLC进入保护,切断速度和方向指令,中文显示器报牵引系统过载。

9.2.加减速控制:

故障现象:按加减速指令,中文显示器始终显示加不上速度:加减速信号没有给到PLC开关量输入模块;

故障分析:①检查加减速按钮是否正常;

②检查PLC开关量输入模块是否正常;

③检查端头控制站和端头控制盒(PA1)是否正常;

④检查遥控器和遥控接收盒(PA2或PA2-8)是否正常;

⑤检查加减速信号各部分控制线是否正常;

⑥检查各部分控制电源是否正常。

故障现象:按加减速指令,中文显示器显示可以加上速度,而变频器没有接到加减速指令。

故障分析:①检查PLC电源模块24V是否正常;

②检查PLC模拟量混合模块是否正常;

③两台变频器都接受不到速度信号,检查速度公用线是否正常;

④如果只有一台变频器接受不到速度信号,检查相应速度控制线或变频器主控板是否正常。

9.3.左右方向控制:

故障现象:按左右方向指令,中文显示器始终没有显示接收到方向信号。

故障分析:方向信号没有给到PLC开关量输入模块。

故障处理:①检查左右方向按钮是否正常;

②检查PLC开关量输入模块是否正常;

③检查端头控制站和端头控制盒(PA1)是否正常;

④检查遥控器和遥控接收盒(PA2或PA2-8)是否正常;

⑤检查左右方向信号各部分控制线是否正常;

⑥检查各部分控制电源是否正常。

故障现象:按左右方向指令,中文显示器显示可以接收到方向信号,而变频器没有接到方向指令。


故障处理:①检查PLC开关量模块是否正常;

②检查方向拨钮B2是否在远控位置;

③两台变频器都接受不到方向信号,检查方向公用线是否正常;

④如果只有一台变频器接受不到方向信号,检查相应方向控制线或变频器主控板是否正常,变频器报SE3故障。

选择方向正常,中文显示器提示界面和变频器显示:制动闸已松闸。采煤机正常牵引。

9.4.采煤机升降控制部分:

故障现象:给左右升降指令,中文显示器始终没升降信号显示。

故障分析:升降信号没有给到PLC开关量输入模块;

故障处理:①检查控制电源F+12V是否正常;②检查PLC开关量输入模块是否正常;③检查端头控制站和端头控制盒(PA1)是否正常;④检查遥控器和遥控接收盒(PA2或PA2-8)是否正常;⑤检查左右升降信号各部分控制线是否正常;(6).检查本安A+12V控制电源是否正常。

故障现象:按左右升降指令,中文显示器显示可以接收到升降信号,而升降电磁阀不动作。

故障处理:①检查调高泵的压力是否正常,泵是否反转;②检查电磁阀块是否卡死;③检查控制电源F+24V是否正常;④检查各个电磁阀线圈是否正常;

⑤检查左右升降各部分控制线是否正常;⑥检查PLC开关量输出模块是否正常。

 10、输送机不起动 
    原因:(1)采煤机上"运行"按钮没有解锁。(2)控制回路短路或开路。 (3)磁力起动器故障.
 

11、采煤机运行中的常见故障:

11.1采煤机正常牵引过程中,突然主机跳电。

故障处理:①观察是否大面积割矸石,割到支架顶梁或运输机铲板,截割电机没有冷却水,PLC保护停机;②检查主停按钮和隔离开关是否被矸石等异物抵住;③检查瓦斯传感器是否误动作;④检查磁力启动器是否正常;⑤检查控制线是否有续接现象;⑥检查电源组件的F+24V是否正常。⑦检查端头控制站和端头控制盒(PA1)是否正常;⑧检查遥控器和遥控接收盒PA2(PA2-8)是否正常;⑨检查电流信号处理盒PA6(PA7-3)是否正常;⑩检查二极管是否击穿。

11.2.在机组送电后,机组上GP显示屏仍显示“牵引未送电,请查明原因”。

故障分析:机组送电后,中文显示器GP显示屏仍显示“牵引未送电,请查明原因”,说明变频器腔牵引送电真空接触器的辅助接点没有闭合:

故障处理:①首先观察近控方向旋钮G2是否在零位,牵引急停按钮是否被异物卡住;②再观察变频器腔三个观察窗是否有漏电,电压异常等故障显示;③检查XB3板控制电源+12V是否正常;④检查真空接触器线圈和辅助接点是否正常;⑤检查各部分控制线是否正常;⑥检查PLC开关量输入模块是否正常。

11.3. 在正常使用过程中,突然发现端头控制站失灵。

故障处理:①检查端头控制站的控制线有没有明显的破皮和端头控制站是否有进水现象;②如果端头控制站个别按钮失灵,为端头控制站按钮正常消耗,更换端头控制站;③检查端头控制的控制电源A+12V是否正常;  把电控箱接线腔内的XQA.1和XQA.2到左右端头控制站的电源脱开,测量本安A+12V是否正常。如测量正常,接上左右端头控制站电源消失,则端头控制站故障;如测量不正常,检查控制线和本安电源模块。④检查端头控制站输出信号电压是否为~3V左右,并且按下端头控制站按钮,测量~3V电压有没有变化,如果没有~3V左右电压,测量只有~2V左右电压,更换端头控制站; 如果测量~3V信号电压正常,更换端头接收盒PA1.

11.4.在正常使用过程中,突然发现遥控器失灵。

故障处理:①检查遥控器电源是否正常,电池充电时间是否到位(快充4小时,慢充12小时);

②如果遥控器个别按钮失灵,为遥控器按钮正常消耗,更换遥控器;

③如果所有遥控器都失灵,检查遥控接收盒PA2(PA2-8)内的天线是否脱落;否则更换遥控接收盒PA2(PA2-8);

④检查遥控接收盒PA2(PA2-8)的控制电源F+12V是否正常。

11.5. 机身按钮控制正常,端头控制站和遥控器失灵。

故障处理:分析端头接收盒PA1和遥控接收盒PA2(PA2-8)控制电源都是F+12V。检查非本安电源模块输出F+12V是否正常。

1.6.机身在遇到大负荷时,有时速度会自动变为零,有时反向走一段后又重新按原方向牵引。

故障分析:机身在遇到大负荷时,采煤机自动减速有两个方面的原因:①由于单台截割电机的截割功率达到100﹪Pe时;②由于牵引电机电流达到100﹪Pe时。此时,机组会自动减速来减小负载,当负荷无法减小时,牵引速度会继续减小直至最终速度减为零。

当单台截割电机的截割功率达到130﹪Pe时,采煤机会反向牵引一段后重新按原方向牵引,PLC程序保护,重载反牵,属正常情况。

11.7.采煤机在牵启,加速,给方向后,变频器报SE3,该故障变频器显示BB。

故障分析:①观察XB1和XB2的12V控制电源是否正常,BR继电器是否正常;

②变频器是否能发出松闸指令;

③观察XB3板的12V控制电源是否正常,K4继电器是否正常;

④观察松闸电磁阀控制电源F+24V是否正常,松闸电磁阀线圈是否正常;

⑤检查泵压力是否正常;

⑥观察控制电源A+12V是否正常,检查XB3板K5和K6继电器是否正常;

⑦检查压力继电器调整是否正常;

⑧变频器接收松闸指令端子及主控板是否正常;

⑨各部分控制线是否正常;

11.8.在新机组或大修机组调试过程中,牵启,加速,给方向后,变频器报SE3。

故障分析:由于松闸电磁阀在机组左侧,因此松闸电磁阀到左制动器的油管比较短,而到右制动器的油管比较长。当变频器得到运行指令时(给速度、方向),变频器输出一个3Hz电源给牵引电机供电,牵引电机此时有电流通过产生力矩将机组锁住,防止下滑。当变频器输出的负载电流达到设定值时(30%额定电流),变频器发出松闸指令,控制制动电磁阀切换油路给制动器供油压。

由于制动器的松闸运动与油压的上升相对于电气来说速度很慢,制动器从闭合到打开需要一定时间,如果变频器发出松闸指令的一瞬间就加速至给定速度,则电机相当于堵转,所以变频器运行还需要松闸反馈信号,确保制动器打开后再加速运行。变频器发出松闸指令后开始等待,在2秒钟内收到压力继电器反馈回来的松闸确认信号,则变频器正常加速牵引,如果2秒钟内没收到松闸确认信号则变频器报SE3时序错误。

在新机组或大修机组调试过程中,一般就是由于右边的油管很长内有气体,在2秒时间内油压达不到右边的制动器。

故障处理:煤机上电后,在分线盒内临时短接FX.A8和FX.A9,把左右制动器油管的气体排出,油管内不能有气泡,必须满管子出油为止。

11.9.机组上电后,变频器报SE4。

故障分析:变频器报SE4说明压力继电器节点一直常闭,或在变频器停止松闸指令2秒后压力继电器节点还没有断开。

故障处理:①检查松闸电磁阀是否一直有电。首先观察是否有漏电和电压异常故障,有就对应相应故障处理;没有,可以更换变频器内的漏电板。

②检查压力继电器是否调整合适;

③检查松闸确认继电器的XB3-K5接点是否粘连,更换公共控制板XB3板;

④检查各部分控制芯线是否正常。


12.电牵引采煤机电气系统常见故障及处理方法

12.1.电牵引采煤机不启动

检查供电电缆、隔离开关、截割电动机等设备;根据电牵引采煤机电气系统的主供电系统图检查截割电动机的供电情况;根据采煤机先导回路检查控制系统接点、水压接点等。

12.2.电牵引采煤机不自保

     检查采煤机电气系统中电源组件中的熔断器是否存在问题;检查先导回路接点是否存在问题,如水压接点、各控制部分串入先导回路中的接点、各连接器是否连接正确。

12.3.电牵引采煤机不牵引  

根据采煤机牵引送电回路的情况,检查各按钮触点、牵引真空接触器、牵引综合控制模块等;检查处理采煤机的制动系统、过载过流保护系统等;检查变频系统与电动机情况;检查牵引启动控制回路。[5]

12.4.电牵引采煤机漏电保护动作

如机组主开关显示漏电保护,应首先排查是否是电缆漏电与机身各电动机漏电。机组本身电控箱内出现漏电的可能性较小,而机内电缆在机组运动过程中出现破皮漏电或电动机本身绝缘降低导致漏电情况的可能性较大。


13.供电电源

13.1.三相1140V电源缺项

现象:整流单元V25灯亮,控制器不工作;接触器不能吸合,整流单元V26灯亮,控制器不工作;整流以后直流母线电压过低,控制单元跳“EU”。

排查方法:首先检查真空开关前端,三相电源是否正常。如果缺项,应排除缺项原因,严禁在缺项状态下频繁启动采煤机,否则,可能造成严重故障。

13.2.输入电源电压过高或过低

现象:跳“EU”。

排查方法:检查采煤机输入电压值(高于1310V或低于970V),调整前端变压器,使输入电压在规定范围内。

13.3.电源线短路

现象:采煤机1140V或3300V电源进线相间短路或对地短路时,可能产生瞬间高压,窜到控制器内引起设备严重损坏,因此,必须定期检查采煤机进线的绝缘情况。

排查方法:可以采用摇表测量绝缘。

13.4.采煤机运行中突然断电

现象:采煤机运行中突然断电,整流单元损坏。

排查方法:井下供电系统是否发生故障停电;运行中是否切断过采煤机前端供电开关。

14.变压器箱

14.1.变压器

现象1:变压器箱内结露引起变压器绝缘值下降,造成变压器击穿。变压器损坏时产生的高压,造成控制电器元器件和功率电路元器件的损坏,这是因果关系。

排查方法:结露不可避免,可行的办法是在变压器箱内放干燥剂,并定期更换,确保箱内干燥。

    如果采煤机停止运行较长时间再开机,建议:(1)开机前检查箱内是否有结露,做干燥处理后再开机。(2)若时间很长,可将控制器拆到井上存放,恢复开机时再安装。

现象2:由于机械的原因造成变压器绝缘损坏,导致变压器局部短路和断路。例如,变压器固定螺丝松动脱落,由于采煤机震动造成变压器晃动,最终导致变压器损坏。

采取措施:定期检查变压器固定螺丝是否紧固。

现象3:变压器接线鼻子挨着箱盖太近,运行时震动造成绝缘值损坏。

解决办法:注意电感接线时,不要折、弯线鼻子,因为铜质的线鼻子容易折断和断开裂缝,造成打火。在盖变压器盖前,要整理接线鼻子和引线接线方向都要有适当地空间余量。避免磨损绝缘,造成短路。

14.2.电感(电抗器)

注意事项:电感一端接变压器副边,另一端通过航空插头接控制线,在电感与变压器之间有三根信号线。他们之间有相序关系,不能接错。如果接错,该电路处于回馈状态时,直接导致IGBT损坏。

14.3.压敏电阻

故障现象:整流回馈单元经常故障。

解决办法:变压器箱中压敏电阻应接在机载变压器和滤波电感之间。在大修和更换滤波电感时,误将压敏电阻接到滤波电感后,电网瞬间浪涌电压串入回馈控制板,造成电路板和整流回馈电路的损坏。

15.中间箱

15.1.SRD控制器

控制器采用水冷方式。每个SRD单元体底部散热铝板用5个螺钉固定在隔爆腔的水冷面上,隔爆腔的水冷面既是安装面又是热交换面。工作时保持水冷系统运行正常,如果没有足够的水压(1.5MPa)和流量(16升/分),那么控制器热量就散不出去,当控制器达到70℃时,铝板温度开关开始动作,跳过热保护(TI-2)。当故障停机与运行时间有关,或停机后,需过一段时间才能开机,都应考虑是否冷却系统出了问题。

采取措施:定期检查水冷系统,保持畅通;控制器散热铝板安装在水冷面上,应保证它们紧密结合,有必要涂导热硅胶,涂前要擦干净接触面,并非愈多愈好;更换控制器时要检查水冷面和控制器底板的平面度(<0.2mm);采煤机运行前要先通冷却水然后开机,运行停止后仍需通一段时间冷却水,以保证电控装置元件充分降温,运行中要经常检查水冷系统;如果采煤机停运时间较长,再上电时发生控制器故障的情况,这与井下潮湿和结露有关,建议:(1)开机前检查箱内是否有结露,做干燥处理后上电开机,(2)如时间较长,不妨将控制器拆到井上,用时再安装。

15.2.PLC设备

现象:PLC接收控制面板和遥控器的操作信号,去控制SRD控制器,进行正转、反转、升速、降速,当SRD控制器出现故障时,在PLC液晶显示屏上就会显示故障类型;如果PLC出现故障,不管是按下控制按钮还是遥控器都不能向控制器发出运行指令或速度信号,控制器不能正常运行,需要对PLC维修。

牵引速度的设定:实际与设计有区别,它与煤层的硬度和坡度有关。当煤层较硬时,牵引功率可能超过电机额定功率,跳过流保护;当工作面坡度太大时,制动功率有可能超过额定,造成直流母线电压太高,跳过压保护。此时需降低牵引速度,主机厂可在PLC中设定。

15.3.遥控装置

遥控器操作不起作用:检查遥控器和遥控接收装置,不要因为有面板操作而拖延,防止发生同时故障的情况。

16.操作面板

现象:按操作面板的按钮,牵引系统不响应,PLC上相应的信号灯不亮,说明操作信号未进入PLC。

解决办法:可能粉尘沉积太厚,操作按钮接触不良,或机构失灵,应及时报修,此时可用遥控器操作。

注意事项:停车时先按操作面板上的“牵停”按钮或用遥控器“牵停”停车,在采煤机正常牵引过程中,通过切断前端真空开关来停机(主停和急停),将造成控制器的严重损坏。

17.电缆

17.1.电缆磨损

现象:由于采煤机运行时剧烈震动,电缆在隔爆腔穿墙板处极易磨损。在设备静止下绝缘没问题,运行时一旦碰壳,就会形成短路,造成控制器的损坏。

解决办法:机上电缆应定期更换,大修时要全部更换。要注意左右牵引电机的接线标号区分开。

17.2.电缆绝缘低或断线,工作显示PAPB:井下湿度大,采煤机运行一段时间后传感器电缆受潮或其它原因绝缘降低或有断线(黑沟碰到过),是造成牵引电机不能正常工作的原因之一。电机传感器电缆屏蔽层接地时,2台控制器都可能显示“PAPB”故障。

处理办法:摇表检查传感器电缆绝缘,或用万用表检查信号线通断情况。若绝缘降低或有断线,应及时更换传感器电缆。

17.3,电缆接错相序,开关磁阻电机出力不足或运行不正常:请注意感应电机的接线和开关磁阻的动力线接线有本质区别。感应电机接错相序仅影响电机转向,而开关磁阻电机相序接错会造成电机出力不足或其它故障,在检查电机绝缘或更换控制器时,必须注意接对电机相序。

18.减速器

18.1.减速器和SRD电机之间密封圈损坏:

后果:造成减速器冷却油渗入SRD电机,会引起SRD电机损坏和污染传感器腔。

预防:定期检查,发现问题及时更换密封圈。

18.2.减速器打齿咬死

后果:有可能造成控制器故障。

19.抱闸系统

现象:如果控制器启动后,抱闸系统没松开,牵引电机堵转,跳过载保护“OL”。

处理:检查抱闸是否正常,液压系统是否工作(液压漏油抱闸失灵),一般可通过摇臂是否能正常升降来验证。

20.行走箱(牵引系统)采煤过程中,牵引减速直至停车:

原因:主机厂为避免由于煤层太硬,截割电机超载而采取的保护设置;或牵引负载太大或堵转,造成传动机构和控制器损坏。单牵引只做应急用,不要长期运行,否则会造成整套电控系统的损坏。

电气系统日常检查工作流程

(一). 日检

1.检查主电缆损耗情况,确保无明显破损;

2.检查牵引电缆损耗情况,确保无明显破损;

3.检查分线盒部位引出电缆,确保无明显破损;

4.检查压力继电器引出电缆,确保无明显破损;

5.检查压力继电器上刻度,并作记录,确保没有松动变化;

6.检查电控箱盖板上按钮,确保可靠通断;

7.检查端头站引线,确保无明显破损;

8.检查遥控器、端头操作站、机身按钮,确保各个指令可靠执行;

9.观察机组上显示屏上显示数据,并作5组数据记录,记录各个显示参数的最大值与最小值,观察数据变化规律;

10.观察调速箱内,变频器数字操作键盘显示数据,并作5组数据记录,记录显示参数的最大值与最小值,观察数据变化规律;

11.观察调速箱内,发光二极管显示灯工作情况。

(二).周检

1.检查电控箱内湿度情况,保持干燥;

2.检查电控箱内各个接线、插头、器件固定是否牢靠;

3.检查电控箱内各个保险丝、保险管接触是否牢靠;

4.检查调速箱内湿度情况,保持干燥;

5.检查调速箱内插件板安装是否牢靠;

6.检查调速箱内接线、插头、器件固定是否牢靠;

7.检查分线盒湿度情况,保持干燥;

8.检查分线盒接线是否牢靠;

9.检查电控箱接线腔湿度情况,保持干燥;

10.检查电控箱接线腔接线是否牢靠,确保控制线与主芯线之间的间隔距离;

11.检查左右截割电机接线腔湿度情况,保持干燥;

12.检查左右截割电机接线腔接线情况,确保温度检测线与主芯线之间的间隔距离;

13.观察机组上显示屏上显示数据,并作10组数据记录,记录各个显示参数的最大值与最小值;

14.观察调速箱内,变频器数字操作键盘显示数据,并作10组数据记录,记录显示参数的最大值与最小值;

15.检查各个冷却水道,保持畅通;

(三). 月检

1.检查牵引电机接线腔湿度情况,保持干燥;

2.检查牵引电机接线腔接线情况,确保可靠接线;

(四).检修注意事项

1.检修过后确保动过的接线可靠正常

2.在各个腔体内放入干燥剂,经常更换

3.发现有大量积水及时处理,并分析进水原因,确保换班时没有用水清洗机组。 

故障实例分析

实例1:

现场情况:机组型号为MG100/238―WD薄煤层采煤机,配备外置牵引变压器、外置变频器,位于离工作面300 m的轨巷处。机组在使用过程中出现牵引停止后,间歇性出现自动启动牵引的情况。

故障原因:根据故障情况,分析故障原因为采煤机牵引控制回路中控制线出现自动上电的情况。

处理措施:对采煤机牵引控制系统所涉及的每个接点进行检查分析,并结合现场实际情况,查找故障原因。在检查牵引控制系统的过程中,发现牵引电缆四通接线盒的内部汽水较大,使牵引控制回路中控制线短接,导致牵引电缆四根控制线中牵启线间歇性自动上电启动,从而引发牵引停止后机组自动启动的现象。通过采取更换牵引电缆四通接线盒、强化密封、压紧螺栓等措施后,该故障未再出现。

实例2:

现场情况:机组为MG320/710―WD2型采煤机,在机组间歇性出现不能启动的情况下,有时能正常启动牵引割煤,有时启动时移动变电站或开关跳闸,移动变电站跳闸后显示“低压保护动作绝缘闭锁”。

故障原因:检查采煤机供电系统部分电缆出现绝缘值低的情况;另外检查发现移变输出电压存在不稳定的情况。

处理措施:检查更换部分绝缘值低的电缆、加固接头及连线、根据电压情况调整移动变电站输出电压后排除故障。   

4、电气部分常见故障分析以及处理

1.采煤机不启动

(1)检查左右急停按钮是否解锁,控制线有无断线,整流二极管是否烧毁。

(2)检查磁力启动器是否有电,是否在远控位置。如果无问题,把远控开关打在近控状态,启动开关能启动,说明故障不在开关;如果不启动,说明开关有故障,应检查开关。

(3)检查控制回路事发后畅通,包括电缆、按钮、连线等。

(4)检查隔离开关接触是否良好,有无损坏 。

(5)检查启动按钮有无损坏。

(6)检查电动机电源有无缺相,启动力矩是否足够

(7)检查带重负荷情况下启动情况。

(8)检查自保回路中带水压接点,未供水启动电动机,采煤机不能启动。

2.采煤机启动不能自保

(1)启动时,把手扳在“启动”位置的时间过短。

(2)自保继电器接点接触不良或烧毁。

(3)控制变压器,一,二次熔断器熔断,线路接触不良或断路。

(4)控制变压器烧毁。

(5)电机中的热继电器没有复位。

(6)采用三位转换开关做启动、运行、停止控制时,把手在启动位置停留时间过短。

(7)未供冷却水,自保回路中的水压接点不吸合,采煤机启动不起来。

3.采煤机启动不牵引

(1)检修或更换电磁铁时,把恒功率控制的欠载与超载电磁铁接反。

(2)欠载加速电磁铁因断线或损坏而不工作。

(3)牵引把手过零位后,制动器不松闸。引起这类故障的主要原因有:过零开关损坏,其接点不能闭合;过零继电器不吸合,其接点不闭合;松闸电磁铁因断线或损坏而未吸合。

4.采煤机在运行中用急停按钮停机后,解锁时会自动启动。

(1)采用三位转换开关做“启动”、“运行”、“停止”控制时,其把手没有扳回或没有完全回到“停止”位置。

(2)自保继电器不释放,或其接点粘接。

5.采煤机引起工作面刮板输送机不能启动

(1)采煤机上“运停”按钮未解锁。

(2)采煤机主电缆内控制输送机的心线断线或与地线、屏蔽层短路。

(3)采煤机控制腔内,输送机控制回路整流二极管脱落或击穿。

(4)采煤机上“运停”按钮解锁后,接触点不闭合或接触不良。

6.控制采煤机的真空磁力启动器,绝缘监视器显示接地故障时,怎样判别是电动机故障还是电缆故障。有效办法是用绝缘测定仪表测定。如无绝缘测定仪表可用下列方法判定:

(1)拉开采煤机隔离开关,观察接地故障是否消失,如接地故障消失,再将3 根主心线短接,仍不显示接地故障则可以认为是电动机故障。

(2)拉开采煤机隔离开关,不论3 根主心线是否短接,均显示接地故障则可认为是电缆故障。

7.采煤机电动机温度过高

(1)冷却水的压力、流量不足或无冷却水。

(2)截齿短缺或磨钝,未及时补充更换或牵引速度太快,引起截割负荷过大。

(3)煤的硬度变大或者截割夹矸、黄铁矿等,引起负荷过大。

(4)工作面刮板输送机留缝、错茬,引起采煤机牵引负荷过大。

(5)齿轮磨损超限,接触精度过低。

(6)轴承损坏阻力大或磨损间隙大,引起发热。

(7)电动机断鼠笼条。

(8)电动机断相运行。

(9)供电电压太低。

(10)频繁启动。

采煤机电动机的工作温度一般不得超过80℃如果超过该温度值,就应立即停机检查,查清并消除引起过热的原因,待电动机冷却下来以后,方可继续工作。


END


▌内容来源:天成元安全


免责声明:

本公众号部分转载的文章、图文、视频来自网络,其版权和文责属原作者所有,若您是原作者且不希望文章被转载,请联系我们处理(电话:4963256)




微信公众号:TTMKWXT
责任编辑:李立峰 | 编辑:常新矿